[logo: The Medical Front WWI]

WAR CASUALTIES

By

Albert G. Love,
Lt. Colonel, Medical Corps, U.S.A.

MEDICAL FIELD SERVICE SCHOOL
CARLISLE BARRACKS, PENNSYLVANIA

1931

THE ARMY MEDICAL BULLETIN
NUMBER 24

The Army Medical Bulletin is published from time to time for the general dissemination of information relating to administrative reports, statistics of disease, Medical Department training projects and other matters of a medico-military nature to members of the Medical Department of the Army of the United States--Regular Army, National Guard and Organized Reserves.

1930.

By direction of the Secretary of War the matter contained herein is published as administrative information and is required for the proper transaction of the public business.

M. W. IRELAND,
The Surgeon General.

.


FOREWORD

The statistical records of the World War, setting forth the incidence of disease, injuries and battle casualties and of the work of the Medical Department during that period have been inscribed in history. As in the case of the Civil War, these records are of great interest from the standpoint of medical science and, for military purposes, furnish the soundest basis for war planning. For the latter purpose, however, these data must be subjected to careful analysis, taking into consideration all evident and conceivable factors creating or influencing them. Upon the figures of experience thus obtained, and comparing the past with present and future conditions, must be based our estimates of the losses to be expected and of medical service requirements in future military operations.

In his official position in the Surgeon General's Office, Colonel Love has had before him the records of the World War and his study of them has been painstaking and exhaustive. The facts and deductions from Colonel Love's study are now available for use by the war planning agencies in estimating Medical Department requirements as to supply, transportation, evacuation, hospitalization, and other essential features that enter into the development of the medical service. Particularly is this study valuable in determining more accurately than by previous methods the hospitalization requirements in any given situation, so that the result can become an entry in the special plan under consideration and thus constitute a directive rather than a contention.

As the wounded and sick returned to duty afford a valuable source of trained replacements, this work will also be of value in studies relating to personnel procurement and replacement.

C. R. REYNOLDS,
Colonel, Medical Corps, U. S. Army,
Commandant, Medical Field Service School.

.


PREFACE

An attempt is made in the following pages to outline a system for estimating, on the basis of our casualty experience in past wars, the requirements for medical service including hospitalization and evacuation of front line casualties; and further to show how intimately the question of replacements for all branches of an army is related to casualty rates, and also to prompt and efficient medical care.

It has been recognized for a number of years both here and abroad that the more efficient the medical service and the nearer the hospitals are to the combat zone, other conditions being equal, the smaller the demands for untrained replacements. Consequently, provisions for an adequate medical service and sufficient hospitalization should be an essential part of every war plan.

The only excuses that can be offered by the author, who makes no claim of having any more than a rudimentary knowledge of mathematics, for not leaving the task to some one better qualified are: First, that he felt that he was reasonably well acquainted with the sources of information and the available basic material; second, that no one better qualified had sufficient time or interest in the subject to undertake it.

For the convenience of the reader, a great many figures have been drawn so as to serve the double purpose of illustrations and tables, although this has often resulted in unorthodox construction.

This work was made possible by General M. W. Ireland, whose thorough knowledge of the medico-military organization and his sympathetic appreciation of the various problems that are connected with it, are a constant help and inspiration to all members of the Medical Department.

Grateful acknowledgement is made to Dr. L. J. Reed, Professor of Biostatistics, Johns Hopkins University, for training in statistical methods while in that institution and for his assistance during the early stages of the work. He has not had an opportunity to follow the development of the study nor to examine the completed manuscript.

Lt. Colonels H. C. Gibner, G. L. McKinney, A. D. Tuttle and C. C. McCornack have made many helpful criticisms and suggestions.

Grateful acknowledgment must be made also to Mr. B. M. Oppenheim for his construction of the Figures, and also for his assistance in the computations.

ALBERT G. LOVE
December 17, 1930.

.


CONTENTS

____FOREWORD
____PREFACE
____LIST OF TABLES
____LIST OF ILLUSTRATIONS

SECTION I. PRACTICAL APPLICATION

CHAPTER I.---MEDICAL SERVICE IN WAR

A. Introduction

B. Terms used and constants employed:

1. Strength
2. Causes of sickness and injury .
3. Place of treatment
4. Percentage of cases treated in hospital and in quarters .
5. Admission rates
6. Average days lost per case
7. Noneffective rates

C. Admission rates for troops in the United States:

8. Decline since 1819
9. Increase during war
10. Decline in succeeding war rates
11. Estimation of future admission rates for unseasoned troops
12. Causes of variations in admission rates in United States
13. Admission rates in United States camps, 1918

D. Admission rates for overseas troops:

14. Admission rates for seasoned and unseasoned troops
15. Comparison of overseas and United States admission rates
16. Relative standing of overseas and U. S. admission rates
17. Influence of climate on admission rates
18. Combined effect of seasoning and of climate

E. Admission rates from battle casualties:

19. Civil War and Philippine Insurrection
20. World War

F. Method of estimating the constant increase in the total sick and the hospital populations

21. Basis of the method
22. Total sick in United States
23. Sick in hospital only in United States during the World War
24. Hospital patients in the American Expeditionary Force

G. Disposition of patients:

25. Disposition of Zone of Interior cases in the United States
26. Disposition of Theater of Operations cases in the American Expeditionary Forces
27. Total duration of treatment of Theater of Operations cases

H. Hospital care of Theater of Operations patients in Theater of Operations and in the Zone of the Interior

28. Character of patients to be sent to the Zone of Interior
29. Duration of hospital treatment of Theater of Operations
patients
30. Percentage of Theater of Operations patients sent to the Zone of the Interior in relation to hospital beds required in each area

I. Total hospital beds required in the Zone of the Interior

CHAPTER II.---LOSS OF MAN POWER IN WAR

J. Losses in the Theater of Operations:

31. Cases disposed of in Zone of the Interior
32. Deaths
33. Total losses in the Theater of Operations
34. Total losses by separate months

K. Losses in the mobilization area

CHAPTER III.---MEDICAL SERVICE IN THE COMBAT ZONE

L. Diseases and non-battle injuries

35. Total in the Theater of Operations
36. In the combat area

M. Battle casualties---collection of

37. Composition of organizations
38. Strength of organizations
39. Sources of casualty data
40. Engagements studied
41. Method of assembling data
42. Percentage of gas wounded, gunshot wounded, and killed

N. Battle Casualties---Presentation of data .

43. Infantry regiment.
44. Casualties by arm of service
45. Infantry divisions
46. Army Corps
47. First American Army I
48. Summary of the estimated combat requirements and average casualty rates

O. Battle Casualties---Transportation required

49. Gunshot wounded
50. Gunshot and gas wounded

P. Battle Casualties---Disposition of eases in the combat area

51. Percentage of short duration cases
52. Hospitalization of short duration cases

SECTION II. TECHNICAL DETAILS

CHAPTER IV.---EXPLANATORY NOTES AND DEVELOPMENT OF FORMULAE

Q. Explanatory notes

R. Development of formulae

53. Patients leaving sick report
54. Graduation of material
55. Patients remaining on sick report
56. Exponential curve

S. Computation of data for short duration cases

57. Percentage leaving hospital each day by return to duty or death
58. Average days of treatment
59. Patients in hospital OD the maximal day
60. Patients in hospital on any day when the maximal one is the tenth, etc.

.

LIST OF TABLES

Table No

1.
Percentage of cases, treated in hospital with the average days per case and corresponding noneffective rates, when the admission rates are as assumed.

2.
Disposition of any one group of American Expeditionary Force patients in the American Expeditionary Forces during one year following admission

3.
Disease and nonbattle injury Theater of Operations patients in hospital at the end of each month, when the daily admission rate is 1.00 per 1000 total American Expeditionary Forces strength; the number of those in hospital in the Zone of the Interior, when either 3% or 12.39% of an admissions are sent there, and the number in the Theater of Operations hospital when the latter percentage has been transferred

4. (1)
Patient., per 1.000 Theater of Operations strength in hospital in the Theater of Operations and Zone of the Interior when 1.00 per 1000 Theater of Operations strength is admitted each day from each cause and the specified percentages are sent to the Zone of the Interior,

....(2)
patients as above with the same admission rates as occurred in the American Expeditionary Forces from July 1 to Nov. 11, 1918

5.
Beds required for Theater of Operations patients under specified conditions

6.
Number of cases disposed of during one year in the Zone of the Interior, from the two expeditionary forces

7.
Percentage of the total deaths in hospital from the three classes of causes in the American Expeditionary Forces which occurred in any group at different time interval

8.
Disposition of disease and nonbattle injury patients admitted to hospital during the first 360 days of operations in the Theater of Operations, when the daily admission rate front such admissions is 1.00 per 1000 Theater of Operations strength

9.
Disposition of gas casualties during the first 360 days of battle, when the daily admission rate from poisonous gases is 1.00 per 1000 Theater of Operations strength

10
Disposition of gunshot casualties during the first 360 days of battle, when the daily admission rate from gunshot missiles is 1.00 per 1000 Theater of Operations strength.

11.
After 360 days of battle: (1) Total eases to be accounted for, including the killed in action: (2) cases returned to duty in the Theater of Operations; (3) total losses

12.
Losses per 1000 men in any one group of them by months of service in the Theater of Operation-. when the daily admission rates to hospital per 1000 total strength are approximately the same as occurred in the American Expeditionary Forces, from July I to Nov. 11, 1918, (excluding the influenza epidemic)

13.
Total losses in the American. Expeditionary Forces by months

14.
Daily admission rates from diseases by systems by months, among each 1000 white enlisted men in combat divisions and in the total American Expeditionary Forces, June to October, 1918

15.
Daily admission rates from disease by systems among each 1000 white enlisted men on battle line, among troops in combat divisions, and in the total American Expeditionary Forces, June to October, 1918

16.
Relative number of cases of sickness among the front area troops as compared with the estimated total in the American Expeditionary Forces

17.
Maximal infantry regimental casualty day rates per 1000 men with the five next highest on days either immediately preceding or following each one; i.e., the rates are shown for six consecutive days

18.
Maximal infantry divisional casualty day rates per 1000 men with the five next highest ones on days immediately preceding or following; i.e., the rates are shown for six consecutive days

19.
Maximal daily casualty rates in the Corps of the First American Army during the Meuse-Argonne offensive with the four next highest rates on either immediately preceding or following days; i.e., on five consecutive days

20.
Casualty rates for the First American Army on each day during the Meuse-Argonne offensive

21.
Maximal daily casualty rates per 1000 strength in the First American Army during the Meuse-Argonne offensive

22.
Casualty rates per 100 ( %) of unit strength suggested as a basis for estimating the necessary medical relief on severe combat days, as determined by the American Expeditionary Forces experience

23.
Location of battle gunshot wounds in the American Expeditionary Forces with rates per 1000 total cases, and percentage fatality rate of each location

24.
Estimation of evacuation requirements for patients wounded by gunshot missiles. Number in each 1000 total wounded

25.
Estimation of evacuation requirements for patients wounded by war gases and gunshot missiles, separately and combined; rates per 1000 cases

26.
Percentage of short duration eases, as reported in the American Expeditionary Forces leaving hospital each clay from the first to the tenth

27.
The accumulation in hospital to any day from the first to the tenth of patients who will return to duty or die on that day or before. Admission rate front each cause is 1.00 per day

28.
The accumulation in hospital to any day from the first to the tenth of patients who will return to duty or die on the tenth day or before. Admission rate from each cause is 1.00 per day

29.
Number of patients among white enlisted men in the United States, 1925-1927, inclusive, leaving sick report (hiring each week; and also the number remaining on sick report at end of each week

30.
Percentage of the total deaths in hospital which occurred during the first ten days from the three classes of cases in the American Expeditionary Forces

31.
Method of finding the eventually fatal gassed cases in hospital at the end of ten days among those that die in ten days or less, when the daily admission rate from the group is 1.00

32.
Average duration of treatment of cases in hospital who will return to duty or die at any time between one day or less and ten days or less

33.
Fatal gassed cases in hospital on any day in a group surviving ten. days or less .

LIST OF ILLUSTRATIONS

1.
percentage of cases of diseases and nonbattle injuries treated in hospital.

2.
Average days of treatment per case of disease and nonbattle injury treated in hospital and quarters combined among white and colored American troops in different countries at different periods.

3.
Average days of treatment per case in the United States and Europe during the World War (April 1917 -- December 1919).

4.
The relation of the noneffective rate to the average daily admission rate and the average clays lost per patient.

5.
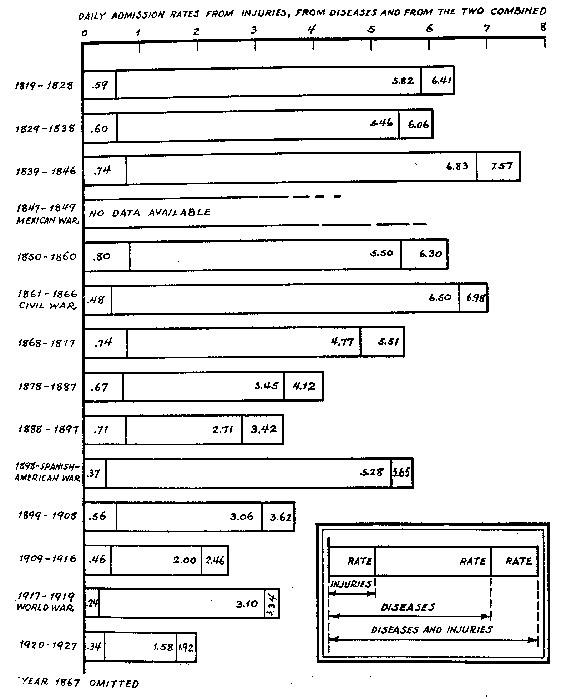
Daily admission rates to hospital and quarters combined from nonbattle injuries, diseases, and the two combined per 1,000 strength, American troops, serving in the U. S. by periods from 1819 to 1927 inclusive.

6.
Daily admission rates to hospital and quarters from diseases and nonbattle injuries by months per 1,000 enlisted men serving in the United States.

7.
Daily admission rates to hospital and quarters from diseases and nonbattle injuries per 1,000 strength of white and colored troops by color, serving in the United States at different periods.

8.
Relative magnitude of admission rates to hospital and quarters from diseases and nonbattle injuries among white men by nativity (native state), serving in the United States and Europe from April 1, 1917 through December 1919.

9.
Relative magnitude of admission rates to hospital and quarters from diseases and nonbattle injuries by nativity (native state), arranged by Corps, Areas. among white troops. and also among white and colored troops combined, who were serving in the United States and Europe from April 1. 1917 through December 1919.

10.
Daily admission rates to hospital and quarters from diseases and nonbattle injuries per 1,000 strength, American troops in thirty large camps during 1918, excluding September and October. Also the maximum rate averaged for my one month in each camp, again excluding September and October.

11.
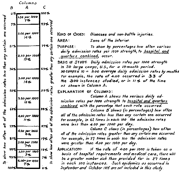
Relative frequency of daily admission rates from diseases and nonbattle injuries to hospital and quarters combined per 1,000 strength in 30 large camps it, the United States during 1918, exclusive of September and October.

12.
Relative frequency of daily admission rates from diseases and nonbattle injuries to hospital only 1 per 1,000 strength in 30 large camps in the United States during 1918, exclusive of September and October.

13.
To show for each daily admission rate to hospital and quarters combined from diseases and nonbattle injuries in the Zone of the Interior, the corresponding rate to hospital only; and also the ultimate number of sick accumulating from each daily admission rate.
B. Also their approximate relative magnitude.

14.
A. Comparative daily admission rates to hospital and quarters, from diseases and nonbattle injuries per 1,000 strength, seasoned and unseasoned American Troops under peace and war conditions.

15.
Daily admission rates to hospital and quarters from diseases and non battle injuries per 1,000 strength American troops in different countries at different periods.

16.
Relative magnitude of admission rates to hospital and quarters from diseases and nonbattle injuries among American troops in different countries at different periods, compared with that in the United States.

17.
A. Approximate average relative magnitude of admission rates to hospitals and quarters from diseases a and nonbattle injuries among American, troops in different countries under peace conditions, compared with that, in the United States.
B. Also the estimated relative magnitude of such rates in war in different climates under favorable and unfavorable conditions.

18.
Daily admission rate to hospital and quarters and noneffective rates in hospital front diseases and nonbattle injuries per 1,000 strength American troops serving in different countries under different conditions,.

19.
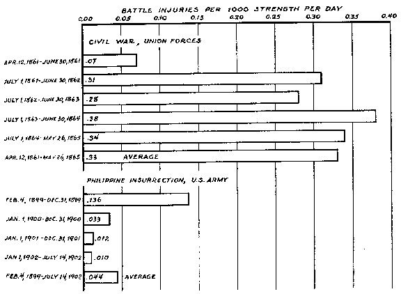
Daily admission rates from battle injuries per 1,000 men in the Union Army during the Civil War: and also in the United States Army in the Philippine Islands during the Philippine Insurrection.

20.
Daily admission rates from gas a and gunshot missiles separately and combined, per 1,000 men in the total American Expeditionary Forces by months and also by periods.

21.
Daily reduction during one half day and the entire day in the number of patients in a group admitted on any one day.

22.
Showing how the total number of patients from disease and nonbattle injuries in the Zone of the Interior increase on each of ten days after mobilization begins.

23.
Daily increase in the number of disease and nonbattle injury patients in hospitals and quarters in the United States, 1925 to 1927.

24.
Daily increase in the number of disease and nonbattle injury patients, in hospital and quarters, in hospital, mid in quarters in the United States in 1918.

25.
A method of computing the number of hospital patients in a Zone of the Interior command which is increasing 10,000 each 15 days, when the daily admission rate to hospital and quarters combined is 3.50 per 1,000, as it was in the United States in 1918 (excluding September and Oct.).

26.
Daily increase in the number of disease, and nonbattle injury patients in hospital only in the United States. 1918.

27.
Daily increase in the number of Theater of Operations hospital patients admitted from diseases and nonbattle injuries.

28.
Daily increase in the number of Theater of Operations hospital patients admitted for wounds by war (poisonous) gases.

29.
Daily increase in the number of Theater of Operations hospital patients admitted for wounds by gunshot missiles.

30.
Daily increase in the number of battle injury cases in hospital in the American Expeditionary Forces in 1918.

31.
Daily increase in the total number of American Expeditionary Forces, patients in hospital in 1918.

32.
Continuous change in the status of disease and nonbattle injury patients in the United States.

33.
Continuous change in the status of disease and nonbattle injury hospital patients while in the American Expeditionary Forces.

34.
Continuous change in the status of gas patients while in the American Expeditionary Forces.

35.
Continuous change in the status of gunshot patients while in the American Expeditionary Forces.

36.
Continuous change in the status of gas and gunshot patients while in the American Expeditionary Forces combined in the same proportion as they occurred there.

37.
Continuous change in the status of hospital patients, while in the American Expeditionary Forces, admitted for all causes and in the same proportions as in the American Expeditionary Forces.

38.
Duration of treatment both in the Theater of Operation., and Zone of the Interior of Theater of Operations disease and nonbattle injury patients.

39.
Duration of treatment both in the Theater of Operations and Zone of the Interior of Theater of Operations gassed patients.

40.
Duration of treatment both in the Theater of Operations and Zone of the interior of Theater of Operations gunshot patients.

41.
Number of Theater of Operations patients from diseases and nonbattle injuries in hospital in the Theater of Operations and Zone of the Interior, when certain percentages of the Theater of Operations admissions are sent to the Zone of the Interior.

42.
Number of Theater of Operations patients from gas injuries in hospital in the Theater of Operations and Zone of the Interior, when certain percentages of the Theater of Operations admissions are sent to the Zone of the Interior.

43.
Number of Theater of Operations patients from gunshot injuries in hospital in the Theater of Operations and Zone of the Interior, when certain percentages of the admissions are sent to the zone of the Interior.

44.
Method of computing the total hospital patients to be expected in a Theater of Operations command under approximately the same conditions as there were in the American Expeditionary Forces in 1918.

45.
Method of computing for a command in the Theater of Operations the hospital patients to be treated in the Theater of Operations when: (a) There is an increasing strength; (b) admissions from both battle and nonbattle causes; (c) and certain percentages are sent to the Zone of the Interior for further treatment.

46.
Method of computing the Theater of Operations hospital patients to be treated in the Zone of the Interior when certain percentages of patients are sent there from a command in the Theater of Operations, where there is an increasing strength, and where there are admissions from both battle and nonbattle causes with the same rates as there were in the American Expeditionary Forces in 1918.

47
Theater of Operations cases of diseases and nonbattle injuries disposed of in the Zone of the Interior by return to duty, death, or disability discharge when sent to the Zone of the Interior for further treatment.

48.
Theater of Operations war gas cases disposed of in the Zone of the Interior by return to duty, death, or disability discharge when sent to the Zone of the Interior for further treatment.

49.
Theater of Operations gunshot cases disposed of in the Zone of the Interior by turn to duty, death, or disability discharge when sent to the Zone of the Interior for further treatment.

50.
A. Method of computing the Theater of Operations hospital patients to be disposed of in the Zone of the Interior when certain percentages of patients are sent there from a command in the Theater of Operations where there is an increasing strength and where there are admissions from both battle and nonbattle causes at a constant rate B. The total Theater of Operations patients to be hospitalized in the Zone of the Interior C. The grand total Theater of Operations patients to be handled in the Zone of the Interior.

51.
Loss of manpower in the Theater of Operations from diseases and nonbattle injuries due to deaths, noneffectives in hospital (patients), and cases disposed of in the Zone of the Interior when sent there for further treatment.

52.
Loss of manpower in the Theater of Operations from war (poisonous) gases due to deaths, noneffectives in hospital (patients), and cases disposed of in the Zone of the Interior when sent there for further treatment.

53.
Loss of manpower in the Theater of Operations from gunshot missiles due to deaths, noneffectives in hospital (patients), and cases disposed of in the Zone of the Interior when sent there for further treatment.

54.
Loss of manpower from diseases and nonbattle injuries in the Theater of Operations during successive months.

55.
Cases of diseases and nonbattle injuries returned to duty in the Theater of Operations during successive months.

56.
Loss of manpower from war (poisonous) gases in the Theater of Operations, during successive months.

57.
Gas cases returned to duty in the Theater of operations during successive months.

58.
Loss of manpower from gunshot injuries in the Theater of Operations during successive months.

59.
Gunshot cases returned to duty in the Theater of Operations during successive month,.

60.
Losses from diseases and nonbattle injuries by months under approximately the same conditions as occurred in the American Expeditionary Forces where there was a material increase in the strength each month, and where the constant average daily admission rate to hospital only from these cases was 1.65 per 1,000 American Expeditionary Forces strength.

61.
Method of computing the losses to be expected in the Theater of Operations in a command in which there is an increasing strength; where there are admissions from both battle and nonbattle causes; and also when certain percentages of the patients are sent to the Zone of the Interior.

62.
Losses from war (poisonous) gases by months under approximately the same conditions as occurred in the American Expeditionary Forces where there was a material increase in: (a) The strength each month; (b) also in the admission rate at different periods.

63.
Losses from gunshot injuries by months, under approximately the same conditions as occurred in the American Expeditionary Forces where there was a material increase in: (a) The strength each month; (b) also in the admission rate at different periods.

64.
Loss of manpower in the mobilization area (U.S.) among those actually enrolled in the military service from diseases and nonbattle injuries, due to deaths, discharges for disability. and noneffectives in hospital (patients).

65.
Daily admission rates by classes of diseases per 1,000 strength of white troops in the front area, and also in the total American Expeditionary Forces, for the period from June I to October 31, 1918.

66.
Daily admission rates from diseases per 1,000 strength of white troops in the front area, and in the total American Expeditionary Forces, for the period June 1st to October 31st, 1918, and also for each month of that period.

67.
Average daily number of American Divisions in the First American Army in each of its Corps, both in line and in reserve, and also in the Army Reserve for the period of 47 days, from September 26 to November 11, 1918.

68.
Variation in the percentage that the gassed, gunshot wounded and killed in action were of the total casualties according to the severity of the engagement.

69.
Summation curve showing how often various regimental daily casualty rates occurred during major operations in the American Expeditionary Forces in 1918.

70.
Summation curve showing how often various divisional daily casualty rates occurred during major operations in the American Expeditionary Forces in 1918.

71.
The daily casualty rates on the five maximal casualty days for divisions (not including the 2nd) in line (not in reserve) in the First American Army during the Meuse-Argonnne and selected divisions in the Aisne, Marne and Somme Offensives; also the average daily casualty rate for the divisions during those engagements.

72.
Summation curve showing how often various Corps daily casualty rates occurred in the five Corps of the First American Army, including the divisions with the French as a Corps, during the Meuse-Argonne Operation, Sept. 26 to Nov. 11, 1918.

73.
The maximal daily casualty rate for each Corps of the First American Army during the Meuse-Argonne Sept. 26 to Nov. 11, 1918, and also the average rate for each one during the entire period a.

74.
Summation curve showing how often various Army daily casualty rates, occurred among American Troops in the First American Army during the Meuse-Argonne Operation, Sept. 26 to Nov. 11, 1918.

75.
The daily casualty rates on the three maximal casualty days for the First American Army in the Meuse-Argonne Sept. 26 to Nov. 11, and also the average daily casualty rate during the same period.

76.
Average daily casualty rates per 1,000 strength for the period from Sept. 26 to Nov. 11, 1918, Inc., for the total American Expeditionary Forces, First American Army corps of the First American Army, divisions in line (not in reserve) of the First American Army, and infantry regiments. Of all divisions in line (including those in divisional reserve).

77.
Histogram and fitted skew curve for daily admission rates from diseases and nonbattle injuries to hospital and quarters per 1,000 strength in 30 large camps in the United States during 1918, excluding September and October.

78.
October Histogram and fitted skew curve for daily admission rates from diseases and nonbattle injuries to hospital only per 1,000 strength in 30 large camps in the United States during 1918, excluding September and Oct.

79.
Duration of treatment (leaving sick report) of diseases and nonbattle injury cases among white enlisted men in hospital and quarters in the United States in 1925 --- 1927.

80.
Duration of treatment (remaining on sick report) of disease and nonbattle injury cases in hospital and quarters, as they occur in the United States.

81.
Duration of treatment (leaving hospital) of disease and nonbattle injury cases in hospital as they occur in the United States.

82.
Duration of treatment (remaining in hospital) of disease and nonbattle injury cases as they occur in the United States.

83.
Duration of treatment (leaving hospital) of disease and nonbattle injury cases which occurred in the American Expeditionary Forces in 1918 while in the American Expeditionary Forces and later in the United States.

84.
Duration of treatment (remaining in hospital) in the American Expeditionary Forces and later in the United States of disease and nonbattle injury cases which occurred in the American Expeditionary Forces in 1918.

85.
Duration of treatment (leaving hospital) in the American Expeditionary Forces only of disease and nonbattle injury cases which occurred there in 1918.

86.
Duration of treatment (remaining in hospital) in the American Expeditionary Forces only of disease and nonbattle injury cases which occurred there in 1918.

87.
Duration of treatment of Gas cases which occurred in the American Expeditionary Forces in 1918.

88.
Duration of treatment of Gunshot cases which occurred in the American Expeditionary Forces in 1918.

89.
Duration of treatment of disease and nonbattle injury cases who were admitted to hospital in the United States in 1918 and returned to duty.

90.
Duration of treatment of disease and nonbattle injury cases which re turned to duty while in the American Expeditionary Forces in 1918.

91.
Duration of treatment of Gas cases which returned to duty in the American Expeditionary Forces in 1918.

92.
Duration of treatment of Gunshot cases which returned to duty in the American Expeditionary Forces in 1918.

93.
Duration of treatment of disease and nonbattle injury patients admitted to hospital in the United States in 1918, who ultimately died.

94.
Duration of treatment of disease and nonbattle injury patients admitted to hospital in the United States In 1918, who were ultimately discharged for disability.

95.
Duration of treatment of disease and nonbattle injury patients admitted to hospital in the United States in 1918 who ultimately died or were discharged for disability.

96.
Duration of treatment of disease and nonbattle injury patients admitted to hospital in the American 'Expeditionary Forces in 1918, who ultimately died.

97.
Duration of treatment of gas patients admitted to hospital In the American Expeditionary Forces in 1918, who ultimately died.

98.
Duration of treatment of Gunshot patients admitted to hospital in the American Expeditionary Forces in 1918, who ultimately died.

99.
Relationship of the number wounded by poisonous gases to those wounded by gunshot missiles.

100.
Relationship of the number killed by all causes to those wounded by gunshot missiles or by poisonous gases.


Return to WWI Medical Statistics or to the Medical Front WWI Index